| 
 
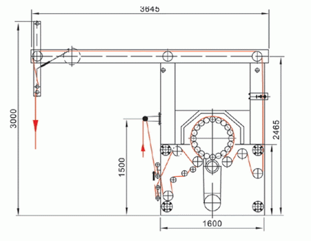
 Application: The machine is suitable for surface raising of tubular knitted fabrics and open width knitted fabrics of cotton and chemical fibre, also suitable for surface raising of eiderdown, blanket, worst woolen etc. Main technical data: Item                              Data Nominal width 1800 2000 2500 Speed of fabric 10-22 Rotation rate of cylinder 148 Number of raising roller 20 18 Diameter of raising roller §æ61 §æ70 Motor power(Not include dust exhaustor) main motor 7.5 motor of scroll roller 2.2 Overall dimensions 3645x3580(3780\4280)x3000 Machine weight 4900 5100 5700 |